LSH (hash function)
LSH is a cryptographic hash function designed in 2014 by South Korea to provide integrity in general-purpose software environments such as PCs and smart devices.[1] LSH is one of the cryptographic algorithms approved by the Korean Cryptographic Module Validation Program (KCMVP). And it is the national standard of South Korea (KS X 3262).
Specification
The overall structure of the hash function LSH is shown in the following figure.

The hash function LSH has the wide-pipe Merkle-Damgård structure with one-zeros padding. The message hashing process of LSH consists of the following three stages.
- Initialization:
- One-zeros padding of a given bit string message.
- Conversion to 32-word array message blocks from the padded bit string message.
- Initialization of a chaining variable with the initialization vector.
- Compression:
- Updating of chaining variables by iteration of a compression function with message blocks.
- Finalization:
- Generation of an -bit hash value from the final chaining variable.
One-zeros padding of Generation of message blocks , where from the padded bit string
for to do
end for
return |
The specifications of the hash function LSH are as follows.
| Algorithm | Digest size in bits () | Number of step functions () | Chaining variable size in bits | Message block size in bits | Word size in bits () |
|---|---|---|---|---|---|
| LSH-256-224 | 224 | 26 | 512 | 1024 | 32 |
| LSH-256-256 | 256 | ||||
| LSH-512-224 | 224 | 28 | 1024 | 2048 | 64 |
| LSH-512-256 | 256 | ||||
| LSH-512-384 | 384 | ||||
| LSH-512-512 | 512 |
Initialization
Let be a given bit string message. The given is padded by one-zeros, i.e., the bit ‘1’ is appended to the end of , and the bit ‘0’s are appended until a bit length of a padded message is , where and is the smallest integer not less than .
Let be the one-zeros-padded -bit string of . Then is considered as a -byte array , where for all . The -byte array converts into a -word array as follows.
From the word array , we define the 32-word array message blocks as follows.
The 16-word array chaining variable is initialized to the initialization vector .
The initialization vector is as follows. In the following tables, all values are expressed in hexadecimal form.
| 068608D3 | 62D8F7A7 | D76652AB | 4C600A43 | BDC40AA8 | 1ECA0B68 | DA1A89BE | 3147D354 |
| 707EB4F9 | F65B3862 | 6B0B2ABE | 56B8EC0A | CF237286 | EE0D1727 | 33636595 | 8BB8D05F |
| 46A10F1F | FDDCE486 | B41443A8 | 198E6B9D | 3304388D | B0F5A3C7 | B36061C4 | 7ADBD553 |
| 105D5378 | 2F74DE54 | 5C2F2D95 | F2553FBE | 8051357A | 138668C8 | 47AA4484 | E01AFB41 |
| 0C401E9FE8813A55 | 4A5F446268FD3D35 | FF13E452334F612A | F8227661037E354A |
| A5F223723C9CA29D | 95D965A11AED3979 | 01E23835B9AB02CC | 52D49CBAD5B30616 |
| 9E5C2027773F4ED3 | 66A5C8801925B701 | 22BBC85B4C6779D9 | C13171A42C559C23 |
| 31E2B67D25BE3813 | D522C4DEED8E4D83 | A79F5509B43FBAFE | E00D2CD88B4B6C6A |
| 6DC57C33DF989423 | D8EA7F6E8342C199 | 76DF8356F8603AC4 | 40F1B44DE838223A |
| 39FFE7CFC31484CD | 39C4326CC5281548 | 8A2FF85A346045D8 | FF202AA46DBDD61E |
| CF785B3CD5FCDB8B | 1F0323B64A8150BF | FF75D972F29EA355 | 2E567F30BF1CA9E1 |
| B596875BF8FF6DBA | FCCA39B089EF4615 | ECFF4017D020B4B6 | 7E77384C772ED802 |
| 53156A66292808F6 | B2C4F362B204C2BC | B84B7213BFA05C4E | 976CEB7C1B299F73 |
| DF0CC63C0570AE97 | DA4441BAA486CE3F | 6559F5D9B5F2ACC2 | 22DACF19B4B52A16 |
| BBCDACEFDE80953A | C9891A2879725B3E | 7C9FE6330237E440 | A30BA550553F7431 |
| BB08043FB34E3E30 | A0DEC48D54618EAD | 150317267464BC57 | 32D1501FDE63DC93 |
| ADD50F3C7F07094E | E3F3CEE8F9418A4F | B527ECDE5B3D0AE9 | 2EF6DEC68076F501 |
| 8CB994CAE5ACA216 | FBB9EAE4BBA48CC7 | 650A526174725FEA | 1F9A61A73F8D8085 |
| B6607378173B539B | 1BC99853B0C0B9ED | DF727FC19B182D47 | DBEF360CF893A457 |
| 4981F5E570147E80 | D00C4490CA7D3E30 | 5D73940C0E4AE1EC | 894085E2EDB2D819 |
Compression
In this stage, the 32-word array message blocks , which are generated from a message in the initialization stage, are compressed by iteration of compression functions. The compression function has two inputs; the -th 16-word chaining variable and the -th 32-word message block . And it returns the -th 16-word chaining variable . Here and subsequently, denotes the set of all -word arrays for .
The following four functions are used in a compression function:
- Message expansion function
- Message addition function
- Mix function
- Word-permutation function
The overall structure of the compression function is shown in the following figure.

In a compression function, the message expansion function generates 16-word array sub-messages from given . Let be a temporary 16-word array set to the -th chaining variable . The -th step function having two inputs and updates , i.e., . All step functions are proceeded in order . Then one more operation by is proceeded, and the -th chaining variable is set to . The process of a compression function in detail is as follows.
for to do
end for
return |
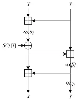
Here the -th step function is as follows.
The following figure shows the -th step function of a compression function.

Message Expansion Function MsgExp
Let be the -th 32-word array message block. The message expansion function generates 16-word array sub-messages from a message block . The first two sub-messages and are defined as follows.
The next sub-messages are generated as follows.
Here is the permutation over defined as follows.
| 0 | 1 | 2 | 3 | 4 | 5 | 6 | 7 | 8 | 9 | 10 | 11 | 12 | 13 | 14 | 15 | |
| 3 | 2 | 0 | 1 | 7 | 4 | 5 | 6 | 11 | 10 | 8 | 9 | 15 | 12 | 13 | 14 |
Message Addition Function MsgAdd
For two 16-word arrays and , the message addition function is defined as follows.
Mix Function Mix
The -th mix function updates the 16-word array by mixing every two-word pair; and for . For , the mix function proceeds as follows.
Here is a two-word mix function. Let and be words. The two-word mix function is defined as follows.
;; ; ;; ;; return , ; |
The two-word mix function is shown in the following figure.

The bit rotation amounts , , used in are shown in the following table.
| 32 | even | 29 | 1 | 0 | 8 | 16 | 24 | 24 | 16 | 8 | 0 |
| odd | 5 | 17 | |||||||||
| 64 | even | 23 | 59 | 0 | 16 | 32 | 48 | 8 | 24 | 40 | 56 |
| odd | 7 | 3 |
The -th 8-word array constant used in for is defined as follows. The initial 8-word array constant is defined in the following table. For , the -th constant is generated by for .
| 917caf90 | 97884283c938982a | |
| 6c1b10a2 | ba1fca93533e2355 | |
| 6f352943 | c519a2e87aeb1c03 | |
| cf778243 | 9a0fc95462af17b1 | |
| 2ceb7472 | fc3dda8ab019a82b | |
| 29e96ff2 | 02825d079a895407 | |
| 8a9ba428 | 79f2d0a7ee06a6f7 | |
| 2eeb2642 | d76d15eed9fdf5fe |
Word-Permutation Function WordPerm
Let be a 16-word array. The word-permutation function is defined as follows.
Here is the permutation over defined by the following table.
| 0 | 1 | 2 | 3 | 4 | 5 | 6 | 7 | 8 | 9 | 10 | 11 | 12 | 13 | 14 | 15 | |
| 6 | 4 | 5 | 7 | 12 | 15 | 14 | 13 | 2 | 0 | 1 | 3 | 8 | 11 | 10 | 9 |
Finalization
The finalization function returns -bit hash value from the final chaining variable . When is an 8-word variable and is a -byte variable, the finalization function performs the following procedure.
Here, denotes , the sub-bit string of a word for . And denotes , the sub-bit string of a -bit string for .
Security
LSH is secure against known attacks on hash functions up to now. LSH is collision-resistant for and preimage-resistant and second-preimage-resistant for in the ideal cipher model, where is a number of queries for LSH structure.[1] LSH-256 is secure against all the existing hash function attacks when the number of steps is 13 or more, while LSH-512 is secure if the number of steps is 14 or more. Note that the steps which work as security margin are 50% of the compression function.[1]
Performance
LSH outperforms SHA-2/3 on various software platforms. The following table shows the speed performance of 1MB message hashing of LSH on several platforms.
| Platform | P1[lower-alpha 1] | P2[lower-alpha 2] | P3[lower-alpha 3] | P4[lower-alpha 4] | P5[lower-alpha 5] | P6[lower-alpha 6] | P7[lower-alpha 7] | P8[lower-alpha 8] |
|---|---|---|---|---|---|---|---|---|
| LSH-256- | 3.60 | 3.86 | 5.26 | 3.89 | 11.17 | 15.03 | 15.28 | 14.84 |
| LSH-512- | 2.39 | 5.04 | 7.76 | 5.52 | 8.94 | 18.76 | 19.00 | 18.10 |
- Intel Core i7-4770K @ 3.5GHz (Haswell), Ubuntu 12.04 64-bit, GCC 4.8.1 with “-m64 -mavx2 -O3”
- Intel Core i7-2600K @ 3.40GHz (Sandy Bridge), Ubuntu 12.04 64-bit, GCC 4.8.1 with “-m64 -msse4 -O3”
- Intel Core 2 Quad Q9550 @ 2.83GHz (Yorkfield), Windows 7 32-bit, Visual studio 2012
- AMD FX-8350 @ 4GHz (Piledriver), Ubuntu 12.04 64-bit, GCC 4.8.1 with “-m64 -mxop -O3”
- Samsung Exynos 5250 ARM Cortex-A15 @ 1.7GHz dual core (Huins ACHRO 5250), Android 4.1.1
- Qualcomm Snapdragon 800 Krait 400 @ 2.26GHz quad core (LG G2), Android 4.4.2
- Qualcomm Snapdragon 800 Krait 400 @ 2.3GHz quad core (Samsung Galaxy S4), Android 4.2.2
- Qualcomm Snapdragon 400 Krait 300 @ 1.7GHz dual core (Samsung Galaxy S4 mini), Android 4.2.2
The following table is the comparison at the platform based on Haswell, LSH is measured on Intel Core i7-4770k @ 3.5 GHz quad core platform, and others are measured on Intel Core i5-4570S @ 2.9 GHz quad core platform.
| Algorithm | Message size in bytes | |||||
|---|---|---|---|---|---|---|
| long | 4,096 | 1,536 | 576 | 64 | 8 | |
| LSH-256-256 | 3.60 | 3.71 | 3.90 | 4.08 | 8.19 | 65.37 |
| Skein-512-256 | 5.01 | 5.58 | 5.86 | 6.49 | 13.12 | 104.50 |
| Blake-256 | 6.61 | 7.63 | 7.87 | 9.05 | 16.58 | 72.50 |
| Grøstl-256 | 9.48 | 10.68 | 12.18 | 13.71 | 37.94 | 227.50 |
| Keccak-256 | 10.56 | 10.52 | 9.90 | 11.99 | 23.38 | 187.50 |
| SHA-256 | 10.82 | 11.91 | 12.26 | 13.51 | 24.88 | 106.62 |
| JH-256 | 14.70 | 15.50 | 15.94 | 17.06 | 31.94 | 257.00 |
| LSH-512-512 | 2.39 | 2.54 | 2.79 | 3.31 | 10.81 | 85.62 |
| Skein-512-512 | 4.67 | 5.51 | 5.80 | 6.44 | 13.59 | 108.25 |
| Blake-512 | 4.96 | 6.17 | 6.82 | 7.38 | 14.81 | 116.50 |
| SHA-512 | 7.65 | 8.24 | 8.69 | 9.03 | 17.22 | 138.25 |
| Grøstl-512 | 12.78 | 15.44 | 17.30 | 17.99 | 51.72 | 417.38 |
| JH-512 | 14.25 | 15.66 | 16.14 | 17.34 | 32.69 | 261.00 |
| Keccak-512 | 16.36 | 17.86 | 18.46 | 20.35 | 21.56 | 171.88 |
The following table is measured on Samsung Exynos 5250 ARM Cortex-A15 @ 1.7 GHz dual core platform.
| Algorithm | Message size in bytes | |||||
|---|---|---|---|---|---|---|
| long | 4,096 | 1,536 | 576 | 64 | 8 | |
| LSH-256-256 | 11.17 | 11.53 | 12.16 | 12.63 | 22.42 | 192.68 |
| Skein-512-256 | 15.64 | 16.72 | 18.33 | 22.68 | 75.75 | 609.25 |
| Blake-256 | 17.94 | 19.11 | 20.88 | 25.44 | 83.94 | 542.38 |
| SHA-256 | 19.91 | 21.14 | 23.03 | 28.13 | 90.89 | 578.50 |
| JH-256 | 34.66 | 36.06 | 38.10 | 43.51 | 113.92 | 924.12 |
| Keccak-256 | 36.03 | 38.01 | 40.54 | 48.13 | 125.00 | 1000.62 |
| Grøstl-256 | 40.70 | 42.76 | 46.03 | 54.94 | 167.52 | 1020.62 |
| LSH-512-512 | 8.94 | 9.56 | 10.55 | 12.28 | 38.82 | 307.98 |
| Blake-512 | 13.46 | 14.82 | 16.88 | 20.98 | 77.53 | 623.62 |
| Skein-512-512 | 15.61 | 16.73 | 18.35 | 22.56 | 75.59 | 612.88 |
| JH-512 | 34.88 | 36.26 | 38.36 | 44.01 | 116.41 | 939.38 |
| SHA-512 | 44.13 | 46.41 | 49.97 | 54.55 | 135.59 | 1088.38 |
| Keccak-512 | 63.31 | 64.59 | 67.85 | 77.21 | 121.28 | 968.00 |
| Grøstl-512 | 131.35 | 138.49 | 150.15 | 166.54 | 446.53 | 3518.00 |
Test vectors
Test vectors for LSH for each digest length are as follows. All values are expressed in hexadecimal form.
LSH-256-224("abc") = F7 C5 3B A4 03 4E 70 8E 74 FB A4 2E 55 99 7C A5 12 6B B7 62 36 88 F8 53 42 F7 37 32
LSH-256-256("abc") = 5F BF 36 5D AE A5 44 6A 70 53 C5 2B 57 40 4D 77 A0 7A 5F 48 A1 F7 C1 96 3A 08 98 BA 1B 71 47 41
LSH-512-224("abc") = D1 68 32 34 51 3E C5 69 83 94 57 1E AD 12 8A 8C D5 37 3E 97 66 1B A2 0D CF 89 E4 89
LSH-512-256("abc") = CD 89 23 10 53 26 02 33 2B 61 3F 1E C1 1A 69 62 FC A6 1E A0 9E CF FC D4 BC F7 58 58 D8 02 ED EC
LSH-512-384("abc") = 5F 34 4E FA A0 E4 3C CD 2E 5E 19 4D 60 39 79 4B 4F B4 31 F1 0F B4 B6 5F D4 5E 9D A4 EC DE 0F 27 B6 6E 8D BD FA 47 25 2E 0D 0B 74 1B FD 91 F9 FE
LSH-512-512("abc") = A3 D9 3C FE 60 DC 1A AC DD 3B D4 BE F0 A6 98 53 81 A3 96 C7 D4 9D 9F D1 77 79 56 97 C3 53 52 08 B5 C5 72 24 BE F2 10 84 D4 20 83 E9 5A 4B D8 EB 33 E8 69 81 2B 65 03 1C 42 88 19 A1 E7 CE 59 6D
Implementations
LSH is free for any use public or private, commercial or non-commercial. The source code for distribution of LSH implemented in C, Java, and Python can be downloaded from KISA's cryptography use activation webpage.[2]
KCMVP
LSH is one of the cryptographic algorithms approved by the Korean Cryptographic Module Validation Program (KCMVP).[3]
Standardization
LSH is included in the following standard.
- KS X 3262, Hash function LSH (in Korean)[4]
References
- Kim, Dong-Chan; Hong, Deukjo; Lee, Jung-Keun; Kim, Woo-Hwan; Kwon, Daesung (2015). LSH: A New Fast Secure Hash Function Family. Springer International Publishing. pp. 286–313. ISBN 978-3-319-15943-0.
- "KISA 암호이용활성화 - 암호알고리즘 소스코드". seed.kisa.or.kr.
- "KISA 암호이용활성화 - 개요". seed.kisa.or.kr.
- "Korean Standards & Certifications (in Korean)".