Open-circuit voltage
Open-circuit voltage (abbreviated as OCV or VOC ) is the difference of electrical potential between two terminals of a device when disconnected from any circuit.[1] There is no external load connected. No external electric current flows between the terminals. Alternatively, the open-circuit voltage may be thought of as the voltage that must be applied to a solar cell or a battery to stop the current. It is sometimes given the symbol Voc. In network analysis this voltage is also known as the Thévenin voltage.


The open-circuit voltages of batteries and solar cells are often quoted under particular conditions (state-of-charge, illumination, temperature, etc.).
The potential difference mentioned for batteries and cells is usually the open-circuit voltage. The open-circuit voltage is also known as the electromotive force (emf), which is the maximum potential difference when there is no current and the circuit is not closed.
The opposite of an open circuit is a "short circuit".
To calculate the open-circuit voltage, one can use a method similar to that below.
Example
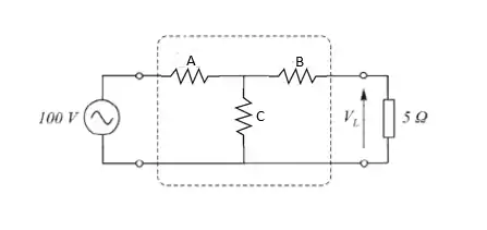
Consider the circuit:

If we want to find the open-circuit voltage across 5Ω resistor. First disconnect it from the circuit:

Find the equivalent resistance in loop 1 and hence find the current in the loop. Use Ohm’s Law to find the potential drop across the resistance C. The resistor B does not affect the open-circuit voltage. Since no current is flowing through it, there is no potential drop across it. So we can easily ignore it.
Therefore, the potential drop across the resistance C is VL.
This is just an example. Many other ways can be used.[2]
References